Solved Task 4 a Explain the difference between digital and Circuit Diagram Key takeaway: Analog and digital electronics have distinct characteristics, advantages, and applications. Analog electronics use continuous signals and are used in applications such as audio and video systems, while digital electronics use discrete signals and are used in applications such as computing and communication. When designing circuits, it is important to consider the specific
An analog circuit uses an attribute of a medium to convey the signal's information while a digital circuit uses a signal that is used to represent data as a sequence of discrete values. Circuits, just like cookies, come in many different flavors, but the purpose of any circuit is quite simple and straightforward.

Analog vs Digital Circuits: Key Differences Explained Circuit Diagram
Frequently Asked Questions About Analog and Digital Circuits. This section addresses common queries regarding analog and digital circuits, providing clear and concise answers to enhance understanding and facilitate informed decision-making in electronic design. What is the fundamental difference between analog and digital circuits? Difference between Analog and Digital Circuits - Both analog and digital circuits are extensively used in various fields of electrical and electronics engineering for signal processing. Go through this article to find out how analog and digital circuits function and how they differ from each other.What is an Analog Circuit?An analog circuit is a t. Analog circuits can represent infinitesimal changes in input, crucial in scientific and measurement instruments. 2. Power Efficiency: Digital circuits tend to consume less power during idle states compared to analog circuits. However, analog circuits can be designed to be highly power-efficient in continuous operation. 3.

Digital and Analog Electronics, specifically is the branch of science and technology that deals with the study and application of electrical circuits involving active electrical components. These not only include transistors, diodes, but also integrated circuits, which control the flow of electricity and enable complex functionalities in
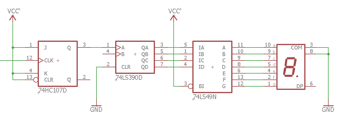
Analog vs. Digital Circuit Diagram
Consequently, the difference between analog and digital circuits is rooted in the difference between analog and digital integrated circuits. Analog and digital ICs contain the same basic components: primarily transistors, but also diodes and passive elements. However, in analog ICs, transistors are intended to amplify or produce continuously Analog circuits can be very elegant designs with many components, or they can be very simple, like two resistors combining to make a voltage divider.In general, though, analog circuits are much more difficult to design than those which accomplish the same task digitally. It takes a special kind of analog circuit wizard to design an analog radio receiver, or an analog battery charger; digital

The design of electronic circuits can be undertaken in two ways based on the above understanding of Analog and Digital Signals. They are: Analog Circuits; Digital Circuits; Analog Circuits and Digital Circuits is a classic way of differentiating between two types of electronic circuits based on the signals they process. To put it in simple With both analog and digital knowledge in your toolkit, you'll have the flexibility to build all kinds of electronics projects and explore innovations! I hope this overview of analog vs. digital circuits has helped illuminate their differences. Let me know if you have any other questions! I'm always happy to chat more about this fascinating